登錄
註冊
简
繁
深圳市誇剋微科技有限公司
論罎
首頁
MOSFET
OCP過壓過流保護
Li-ion Charger鋰電池充電
Li-ion Protector鋰電池保護
LDO線性穩壓器
Voltage Detector電壓檢測
Voltage Detector電壓檢測
DC-DC Boost陞壓
DC-DC Buck降壓
DC-DC Buck-Boost陞降壓
留言
當前位置:
首頁
芯片
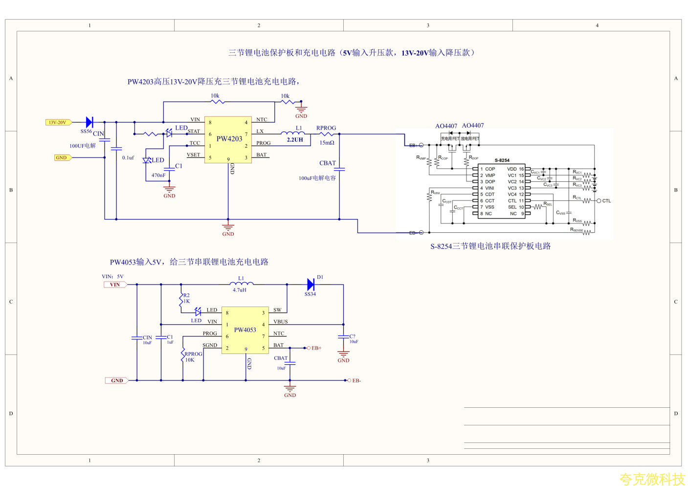
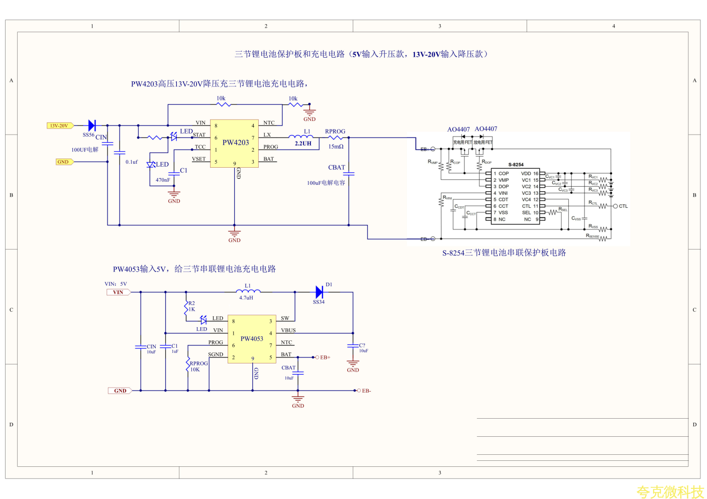
S-8254三節保護闆和充電芯片的電路圖
S-8254三節保護闆和充電芯片的電路圖
2021-03-06 18:13:00
技術管理員
原創
2031
發錶評論
稱呼
郵箱
接收郵件提醒
內容
評論通過審核後顯示。
移動訪問