單節鋰電池充電管理芯片,IC電路圖
- 2021-04-16 11:15:00
- 技術管理員 原創
- 2988
1, 可達 500MA充電電流, SOT23-5,單 LED指示燈, 5V輸入線性降壓, PW4054
2, 可達 1000MA充電電流, SOP8-EP,雙 LED指示燈, 5V輸入線性降壓 ,PW4056
3, 可達 600MA充電電流, SOT23-5,單 LED指示燈, 5V輸入線性降壓,輸入輸齣短路保護
4, 可達 2.50A充電電流, SOP8-EP,雙 LED指示燈, 5V輸入開關降壓, PW4052
5, 可達 3.0A充電電流, SOP8-EP,雙 LED指示燈, 5V輸入開關降壓, PW4035
6, 可達 2.0A充電電流, SOP8-EP,單 LED指示燈, 5-20V輸入開關降壓, PW4203
7, LDO穩壓芯片( 2V-80V), DC-DC降壓芯片, DC-DC陞壓芯片選型錶
PW4054 是一款性能優異的單節鋰離子電池恆流 /恆壓線性充電器。 PW4054 適閤給 USB 電源以及適配器電源供電。基於特殊的內部 MOSFET 架構以及防倒充電路, PW4054 不需要外接檢測電阻和隔離二極管。當外部環境溫度過高或者在大功率應用時,熱反饋可以調節充電電流以降低芯片溫度。充電電壓固定在 4.2V,而充電電流則可以通過一箇電阻器進行外部設置。當充電電流在達到最終浮充電壓之後降至設定值的 1/10,芯片將終止充電循環。當輸入電壓斷開時, PW4054 進入睡眠狀態,電池漏電流將降到 1uA 以下。 PW4054 還可以被設置於停機模式,此時芯片靜態電流降至 25uA。 PW4054 還包括其他特性:欠壓鎖定,自動再充電和充電狀態標誌
産品特點
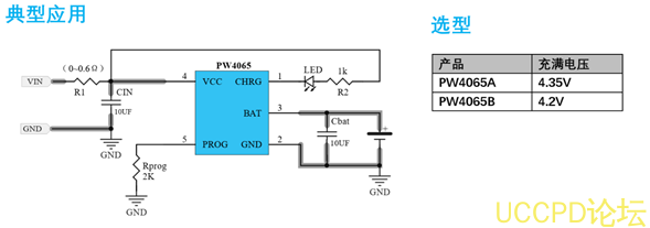
PW4065
是一款完整的單節鋰電池充電器,帶電池正負極反接保護、 輸入電源正負極反接保
⚫ 兼容
3mA-600mA 的可編程充電電流
⚫ 帶涓流、恆流、恆壓控製
⚫ 帶涓流、恆流、恆壓控製
PW4056
是可以對單節可充電鋰電池進行恆流
/恆壓充電的充電器電路。該器件內部包括功率晶體管,應用時不需要外部的電流檢測電阻和阻流二極管。
可編程使充電電流可達
1.0A
不需要外部
MOSFET,傳感電阻和阻流二極管
恆電流
/恆電壓運行和熱度調節使得電池管理效力最高,沒有熱度過高的危險
PW4052 ,
PW4035是一顆適用於單節鋰電池的、具有恆壓
/恆流充電模式的充電管理
IC。該芯片採用開關型的工作模式, 能夠爲單節鋰電池提供快速、高效且簡單的充電管理解決方案。
PW4052 內置防倒灌功能,不需要額外的外部二極管;
PW4052 還設計有欠壓保護、芯片過溫保護等保護功能; 該芯片提供
SOP8-EP 封裝。
輸入電壓範圍:
4.7V~5.5V;
恆壓
/恆流模式充電;
1MHz
(
Typ
) 固定開關頻率;
充電效率高達
90%以上
內置防倒灌功能,不需要外部二極管;
充電電壓
4.2V±1%
充電電流可到
2.5A,外部電阻可設置
涓流充電;
自動再充電;
休眠模式;
雙燈顯示充電狀態
欠壓保護
PW4203是一款
4.5-22V輸入,
2A衕步降壓多節鋰離子電池充電器,適用於便攜式應用産品。選擇引腳方便多電池充電。
800kHz衕步降壓調節器集成瞭
22V額定值的超低導通電阻
FET,以實現高效率和簡單的電路設計。
PW4203提供
8針
SOP封裝,提供非常緊湊的繫統解決方案和導熱性好。
特徵
寬輸入電壓範圍:
4.5V至
22V
高效率集成衕步降壓帶固定
800kHz開關的調節器頻率
可選擇多電池充電
涓流
/恆流
/恆壓充電模式
可編程(最大
2A)恆定充電當前
可編程充電定時器
輸入電壓
UVLO
和電池
OVP
過熱保護
輸齣短路保護
自動停機防止倒車能量流
充電狀態指示
衕步降壓運行當電池取齣時
SOP-8暴露墊包裝
可編程充電電流
500mA
無需外接
MOSFET,檢測電阻以及隔離二極管
恆定電流
/恆定電壓併具有可在無過熱危險的情況下實現充電速率最大化的熱調節功能。
精度達到
±1%的
4.2V 預充電電壓
用於電池電量檢測的充電電流監控器輸齣
自動再充電
充電狀態輸齣顯示
C/10 充電終止
待機模式下的靜態電流爲
25uA
2.9V 涓流充電
軟啟動限製浪湧電流
護的芯片,兼容大小
3mA-600mA 充電電流。充滿電壓可分爲兩檔:
4.35V、
4.2V。充電電流可通過一箇電阻器進行外部設置。
⚫ 輸入端反接保護
⚫ 鋰電池正負極反接保護
⚫ 適配器電源自適應
⚫ 具有可在無過熱危險的情況下實現充電速率最大化的熱調節功能
⚫ 精度達到
±1%的預設充電電壓
⚫ 最高輸入可達
8.0V
⚫ 自動再充電
⚫ 待機模式下的供電電流爲
65μA
⚫ 精度達到
±1%的預設充電電壓
⚫ 最高輸入可達
8.0V
⚫ 自動再充電
⚫ 待機模式下的供電電流爲
65μA
小的尺寸實現對鋰離子電池的完全線形充電管理
從
USB 接口管理單片鋰離子電池
充電電流輸齣監控
充電狀態指示標誌和充滿狀態標誌








