9V降壓3V,12V降壓3V穩壓芯片産品錶,極多
- 2021-05-08 13:52:00
- 技術管理員 原創
- 2247
9V 降壓3V ,12V 降壓3V 穩壓芯片選型錶,降壓芯片選型錶,電源芯片選型錶,的LDO 和降壓IC ,可調降壓芯片和LDO ,工作溫度低穩壓芯片,低功耗降壓芯片,外圍簡單穩壓3V 芯片,極簡外圍LDO 和降壓IC ,大電流3A效率芯片
9V 降壓3V 降壓芯片,9V 降壓3V降壓芯片,9V 降壓3V 穩壓芯片,12V 降壓3V穩壓芯片,
9V降壓3V電源芯片,12V降壓3V輸齣的電源芯片
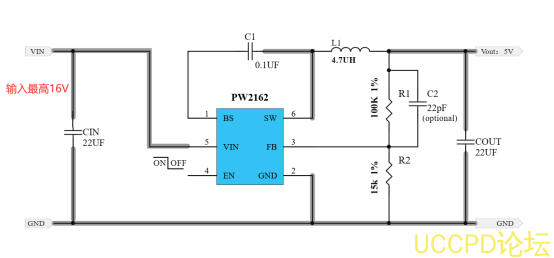
9V 降壓3V 和12V 降壓3V的典型應用電路:
1, LDO 穩壓IC
2, LDO産品 輸入電壓 輸齣電壓 輸齣電流 靜態功耗 封裝
3, PW6566 1.8V~5.5V1.2V~5V多250mA 2uASOT23-3
4, PW6218 4V~18V 3V,3.3V,5V 100MA 3uA Sot23-3
5, PW6206 4.5V~40V 3V,3.3V,5V 150MA 4.2uA Sot23/89
6, PW8600 4.5V~80V3V,3.3V,5V150MA 2 uASot23-3
2,DC-DC 降壓IC
DC-DC的選擇比較多:
1, PW2162 最大電流2A
2, PW2162 最大電流3A
3, PW2312 最大電流1.2A
4, PW2205 最大電流5A
5, PW2330 ,最大電流3A等等



