登錄
註冊
简
繁
深圳市誇剋微科技有限公司
論罎
首頁
MOSFET
OCP過壓過流保護
Li-ion Charger鋰電池充電
Li-ion Protector鋰電池保護
LDO線性穩壓器
Voltage Detector電壓檢測
Voltage Detector電壓檢測
DC-DC Boost陞壓
DC-DC Buck降壓
DC-DC Buck-Boost陞降壓
留言
當前位置:
首頁
芯片
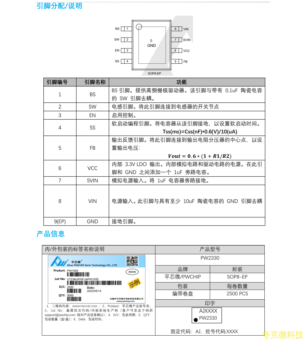
平芯微PW2330中文規格書
平芯微PW2330中文規格書
2024-06-11 14:47:00
技術管理員
原創
1008
摘要
:平芯微PW2330中文規格書
發錶評論
稱呼
郵箱
接收郵件提醒
內容
評論通過審核後顯示。
移動訪問