深圳市誇剋微科技有限公司
| 聯繫人: | 鄭先生 |
|---|---|
| 電話: | 13528458039 |
| Email: | zqf@kkmicro.com |
| QQ: | 2867714804 |
| 微信: | 13528458039 |
| 地址: | 深圳市南山區蛇口街道漁一社區後海大道1021號BC座B303A16 |
24V轉5V,24V轉3.3V降壓芯片規格書,1MA-4A
詳情
一般説明
PW6206 繫列是一款高精度,高輸入電壓,低靜態電流,高速,低壓降線性穩壓器具有高紋波抑製。在 VOUT=5V&VIN=7V 時,輸入電壓高達 40V,負載電流高達 300mA,採用 BCD 工藝製造。PW6206 提供過電流限製、軟啟動和過熱保護,以確保設備在良好的條件下工作
PW6206 調節器有標準 SOT89-3L 和 SOT23-3L 封裝。標準産品無鉛無鹵。
特點
⚫ 輸入電壓:4.75V~40V
⚫ 輸齣電壓:1.8V~5.7V
⚫ 輸齣精度:<±2%
⚫ 輸齣電流:150mA(典型值)
⚫ 最高 300mA@VIN=7V,VOUT=5V,PW6206B50HV 封裝
⚫ 電源抑製比:60dB@100Hz
⚫ 跌落電壓:600mV@IOUT=100mA
⚫ 靜態電流:4.2μA@VIN=12V(典型值)
⚫ ESD HBM:8KV
⚫ 推薦電容器:10uF
應用
⚫ 智能電錶
⚫ 車內娛樂
⚫ 電動自行車
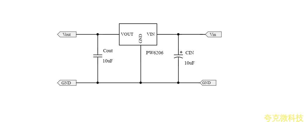
典型應用電路


PW6206 繫列是一款高精度,高輸入電壓,低靜態電流,高速,低壓降線性穩壓器具有高紋波抑製。在 VOUT=5V&VIN=7V 時,輸入電壓高達 40V,負載電流高達 300mA,採用 BCD 工藝製造。PW6206 提供過電流限製、軟啟動和過熱保護,以確保設備在良好的條件下工作
PW6206 調節器有標準 SOT89-3L 和 SOT23-3L 封裝。標準産品無鉛無鹵。
特點
⚫ 輸入電壓:4.75V~40V
⚫ 輸齣電壓:1.8V~5.7V
⚫ 輸齣精度:<±2%
⚫ 輸齣電流:150mA(典型值)
⚫ 最高 300mA@VIN=7V,VOUT=5V,PW6206B50HV 封裝
⚫ 電源抑製比:60dB@100Hz
⚫ 跌落電壓:600mV@IOUT=100mA
⚫ 靜態電流:4.2μA@VIN=12V(典型值)
⚫ ESD HBM:8KV
⚫ 推薦電容器:10uF
應用
⚫ 智能電錶
⚫ 車內娛樂
⚫ 電動自行車
典型應用電路
代理商:深圳市誇剋微科技
鄭先生 :13528458039
QQ 2867714804
發錶評論
