3.7V转3.3V,3.7V转1.5V芯片,PW2058和PW2059的中文规格书
- 2021-03-06 16:40:00
- 技术管理员 原创
- 2086
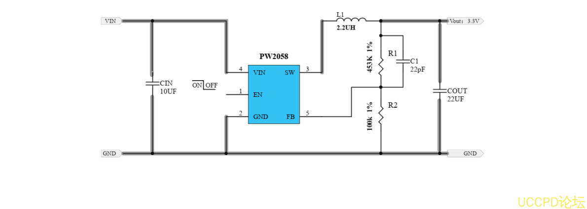
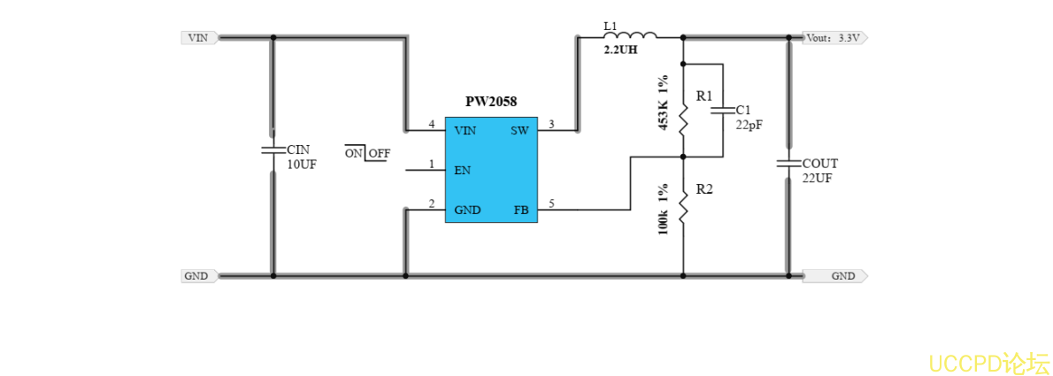
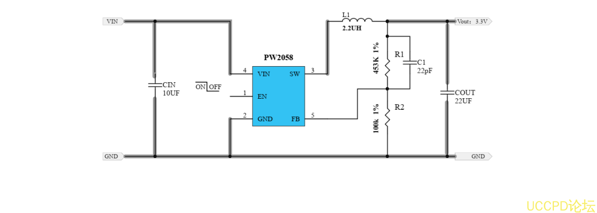
PW2058/PW2059 是一种恒频、电流模式降压转换器。该器件集成了一个主开关和一个同步整流器,无需外加肖特基二极管就可以实现高效率。它是用单电池锂离子电池为便携式设备供电的理想选择。输出电压可调低至 0.6V , PW2058/PW2059 还可在 100% 的占空比下进行低电压降操作,延长了便携式系统的电池寿命。该装置提供 PWM 控制和 PFM 模式开关控制两种工作模式,可在更宽的负载范围内实现高效率。
特征
⚫效率高达
96%
⚫
1.5MHz 恒频运行
⚫
800mA 输出电流
⚫不需要肖特基二极管
⚫
2V 至
6V 输入电压范围
⚫输出电压低至
0.6V
⚫低负载下高效率的
PFM 模式
⚫退出运行时
100%占空比
⚫低静态电流:
20μ
A
⚫ 斜坡补偿电流模式控制,以获得良好的线路和负载瞬态响应
⚫短路保护
⚫热故障保护
⚫涌流限制和软启动
⚫
<1μA 关断电流
⚫
SOT23-5 包
应用
⚫ 移动电话和智能手机
⚫ 无线和
DSL 调制解调器
⚫
PDA 系统
⚫ 便携式仪器
⚫ 数码相机和摄像机
⚫ 数字电视
代理商:深圳市夸克微科技 郑先生 :13528458039 QQ 2867714804
典型应用电路



