锂电池升压芯片,IC电路图资料
- 2021-04-25 10:34:00
- 技术管理员 原创
- 2640
锂电池常规的供电电压范围是 3V-4.2V之间,标称电压是 3.7V。锂电池具有宽供电电压范围,需要进行降压或者升压到固定电压值,进行恒压输出,同时根据输出功率的不同,(输出功率 =输出电压乘以输出电流)。不同的输出电流大小,合适很佳的芯片电路也是不同。
1, 锂电池升降压固定 3.3V输出,电流 150MA,外围仅 3个电容
2, 锂电池升压固定 5V输出,外围仅 3个电容
3, 锂电池 DC-DC升降压芯片,输出 1-2A
4, 锂电池升压 5V 600MA, 8uA低功耗
5, 锂电池升压到 5V,8.4V,9V
6, 锂电池升压到 5V,8.4V,9V,12V
7, 锂电池升压 5V2A
8, 锂电池升压 5V3A
9, 锂电池充电管理 IC,可实现边充边放电
10, 锂电池稳压 LDO,和锂电池 DC-DC降压大电流芯片
1, PW5410B是一颗低噪声,恒频 1.2MHZ的开关电容电压倍增器。 PW5410B的输入电压范围 1.8V-5V,输出电压 3.3V固定电压,输出电流高达 100MA。外围元件仅需要三个贴片电容即可组成一个升压电路系统。
2, PW5410A是一颗低噪声,恒频 1.2MHZ的开关电容电压倍增器。 PW5410A的输入电压范围 2.7V-5V,输出电压 5V固定电压,输出电流高达 250MA。外围元件仅需要三个贴片电容即可组成一个升压电路系统。
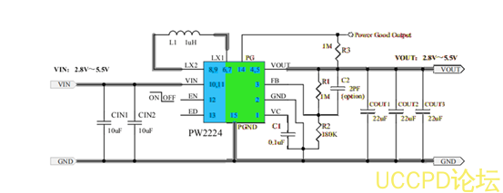
3, PW2224是一种高效率的单电感 Buck-Boost变换器,可以为负载供电电流高达 4A。它提供降压和升压模式之间的自动转换。 PW2224工作频率为 2.4MHz,也可与外部频率从 2.2MHz同步到 2.6MHz。直流 /直流变频器在轻负载下以脉冲跳频方式工作。可以禁用省电模式,强制 PW2224在 FPWM模式下运行。在关机。 PW2224采用 TDFN3X4-14包装。
特征
2.8V~5.5V输入电压运行
可调输出电压从 2.8V 到 5.5V
96%效率 DC/DC 变换器
VIN>3.6V时 3.3V 时的 3A 输出电流
Buck和 Boost 之间的自动转换模式
轻载时的脉冲跳跃模式效率
内部软启动
DC/DC转换器可设置为较低轻载静态电流
固定 2.4MHz 频率和可能同步
内置循环电流限制和过电压保护
内置热关机功能
电源良好功能
TDFN3X4-14包装( 3mmx4mm )
4,
PW5100 是一款高效率、低功耗、低纹波、高工作频率的
PFM 同步升压
DC/DC 变换器。输出电压可以进行内部调节,实现从
3.0V 至
5.0V 的固定输出电压, 调节步进为
0.1V。
PW5100 仅需要三个外围元件,就可将低输入电压升压到所需的工作电压。系统的工作频率高达
1.2MHz, 支持小型的外部电感器和输出电容器, 同时又能保持超低的静态电流,实现
MAX高的效率。
产品特点
5, PW5300是电流模式升压
DC-DC转换器。其内置
0.2
Ω功率
MOSFET的
PWM电路使该稳压器具有效率高的功率效率。内部补偿网络还可以程度地减少了
6个外部元件的数量。误差放大器的同相输入连接到
0.6V精密基准电压,内部软启动功能可以减低浪涌电流。
PW5300采用
SOT23-6L封装,为应用提供节省空间的
PCB。
特点:
可调输出
MAX达
12V
内部固定
PWM
频率:
1.0MHz
内部
0.2Ω
,
2.5
安,
16V
功率
MOSFET
关断电流:
0.1μA
过温保护,过压保护
可调过电流保护:
0.5A
〜2.5A(
Vin
端)
6, PW5328B是一款恒定频率,
6引脚
SOT23电流模式升压转换器,适用于小型,低功耗应用。
PW5328B的开关频率为
1.2MHz,允许使用高度小于
2mm的小型低成本电容器和电感器。内部软启动可减小浪涌电流并延长电池寿命。
PW5328B具有在轻负载时自动切换到脉冲频率调制模式的功
能。
PW5328B包括欠压锁定,电流限制和热过载保护,以防止在输出过载情况下损坏。
PW5328B采用6引脚小型SOT-23封装。
特点
效率可达
97%
2V至
24V输入电压
1.2MHz固定开关频率
内部
4安开关电流限制
可调输出电压
内部补偿
自动脉冲频率调制
轻载模式
采用
SOT23-6封装
7, PW6276是一颗高效同步升压转换芯片,锂电池输入升压输出可达
5V2.4A。内部集成低阻抗功率
MOS。 具有短路保护功能内部集成软启动电
路,无需外部补偿电容,外部反馈网络。
PW6276采用
SOP8-EP 封装配合较少的外围原件使其非常适用于便携式产品。
特点
8,
锂电池
3.7V
升压
5V3A
功率芯片,PW5303是具有
PWM/ PSM控制的电流模式升压
DC/DC转换器。它的
PWM电路具有内置的
30mΩ高端开关和
30mΩ低端开关,使该稳压器具有很高的功率效率。内部补偿网络还将外部元件的数量减少到仅
6个。内部
0.6V电压连接到误差放大器的同相输入作为精密基准电压。内置的软启动功能可以减少浪涌电流。 具有
PWM / PSM控制的电流模式
特征
9,
搭配的锂电池充电
IC
,实现边充边放电。
10,搭配的锂电池稳压
LDO芯片,和降压芯片
⚫
MAX
大效率可达:
95%
⚫
MAX
高工作频率:
1.2MHz
⚫
超低启动电压:
0.7V@Io=1mA
⚫
宽输入电压范围:
0.7V~
5.0V
⚫
输入静态电流:
10uA@VIN=2.0V
⚫
输出电压可选:
3.0V~
5.0V@step=0.1V
⚫
输出电压精度:
±2.5%
⚫
低纹波
,低噪声:
±10mV@Io=50mA
⚫
使能关断控制:
≤0.2V(低电平),
≥ 0.4*Vout(高电平)
⚫ 工作频率
500KHz
⚫ 内部集成同步整流
MOS,无需外部整流二极管
⚫ 外部反馈网络,输出电压可调节
⚫ 恒流短路保护模式
⚫ 电流模式,响应速度快
⚫ 内部过流保护功能
输入电压范围:
2.4V〜4.5V
可调输出高达
5.3V
关断电流:
<1uA
振荡器频率:
500KHz
参考电压:
0.6V +/-2
关机期间断开负载
逐周期电流限制
低
RDS(
on):高端和低端均为
30mΩ
保护:
OTP,
OCP,
SCP
内部补偿
内部软启动:
7ms
封装:
SOP8-EP

















