9V降压3V,12V降压3V稳压芯片产品表,极多
- 2021-05-08 13:52:00
- 技术管理员 原创
- 2246
9V 降压3V ,12V 降压3V 稳压芯片选型表,降压芯片选型表,电源芯片选型表,的LDO 和降压IC ,可调降压芯片和LDO ,工作温度低稳压芯片,低功耗降压芯片,外围简单稳压3V 芯片,极简外围LDO 和降压IC ,大电流3A效率芯片
9V 降压3V 降压芯片,9V 降压3V降压芯片,9V 降压3V 稳压芯片,12V 降压3V稳压芯片,
9V降压3V电源芯片,12V降压3V输出的电源芯片
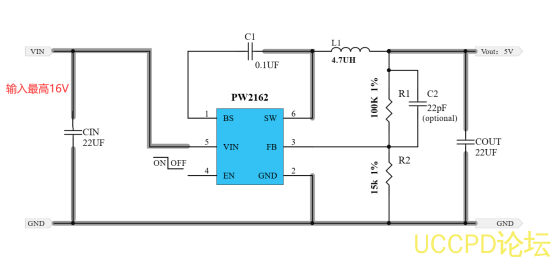
9V 降压3V 和12V 降压3V的典型应用电路:
1, LDO 稳压IC
2, LDO产品 输入电压 输出电压 输出电流 静态功耗 封装
3, PW6566 1.8V~5.5V1.2V~5V多250mA 2uASOT23-3
4, PW6218 4V~18V 3V,3.3V,5V 100MA 3uA Sot23-3
5, PW6206 4.5V~40V 3V,3.3V,5V 150MA 4.2uA Sot23/89
6, PW8600 4.5V~80V3V,3.3V,5V150MA 2 uASot23-3
2,DC-DC 降压IC
DC-DC的选择比较多:
1, PW2162 最大电流2A
2, PW2162 最大电流3A
3, PW2312 最大电流1.2A
4, PW2205 最大电流5A
5, PW2330 ,最大电流3A等等



