登录
注册
简
繁
深圳市夸克微科技有限公司
论坛
首页
MOSFET
OCP过压过流保护
Li-ion Charger锂电池充电
Li-ion Protector锂电池保护
LDO线性稳压器
Voltage Detector电压检测
Voltage Detector电压检测
DC-DC Boost升压
DC-DC Buck降压
DC-DC Buck-Boost升降压
留言
当前位置:
首页
芯片
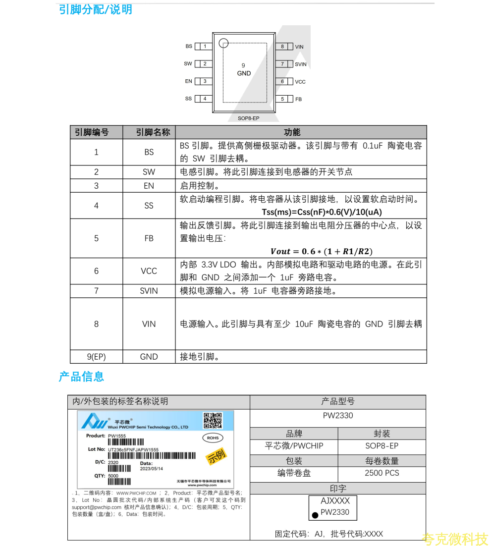
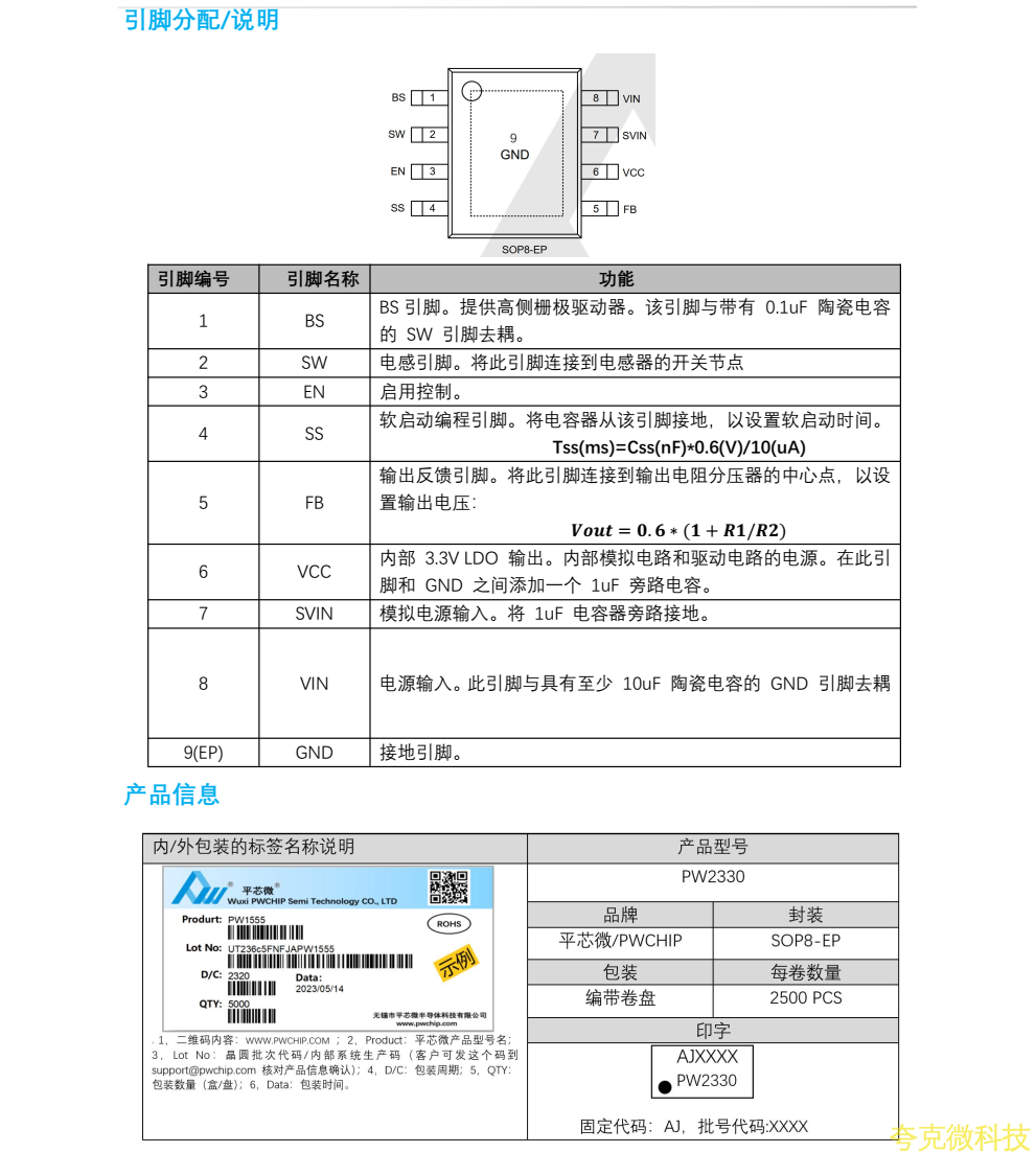
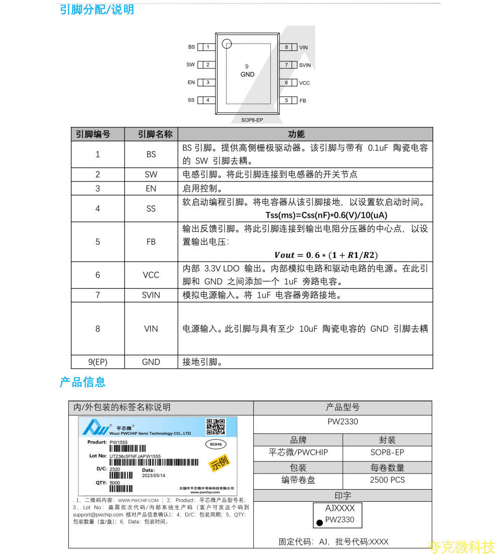
平芯微PW2330中文规格书
平芯微PW2330中文规格书
2024-06-11 14:47:00
技术管理员
原创
1009
摘要
:平芯微PW2330中文规格书
发表评论
称呼
邮箱
接收邮件提醒
内容
评论通过审核后显示。
移动访问