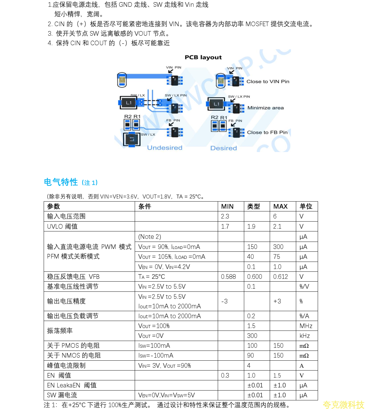
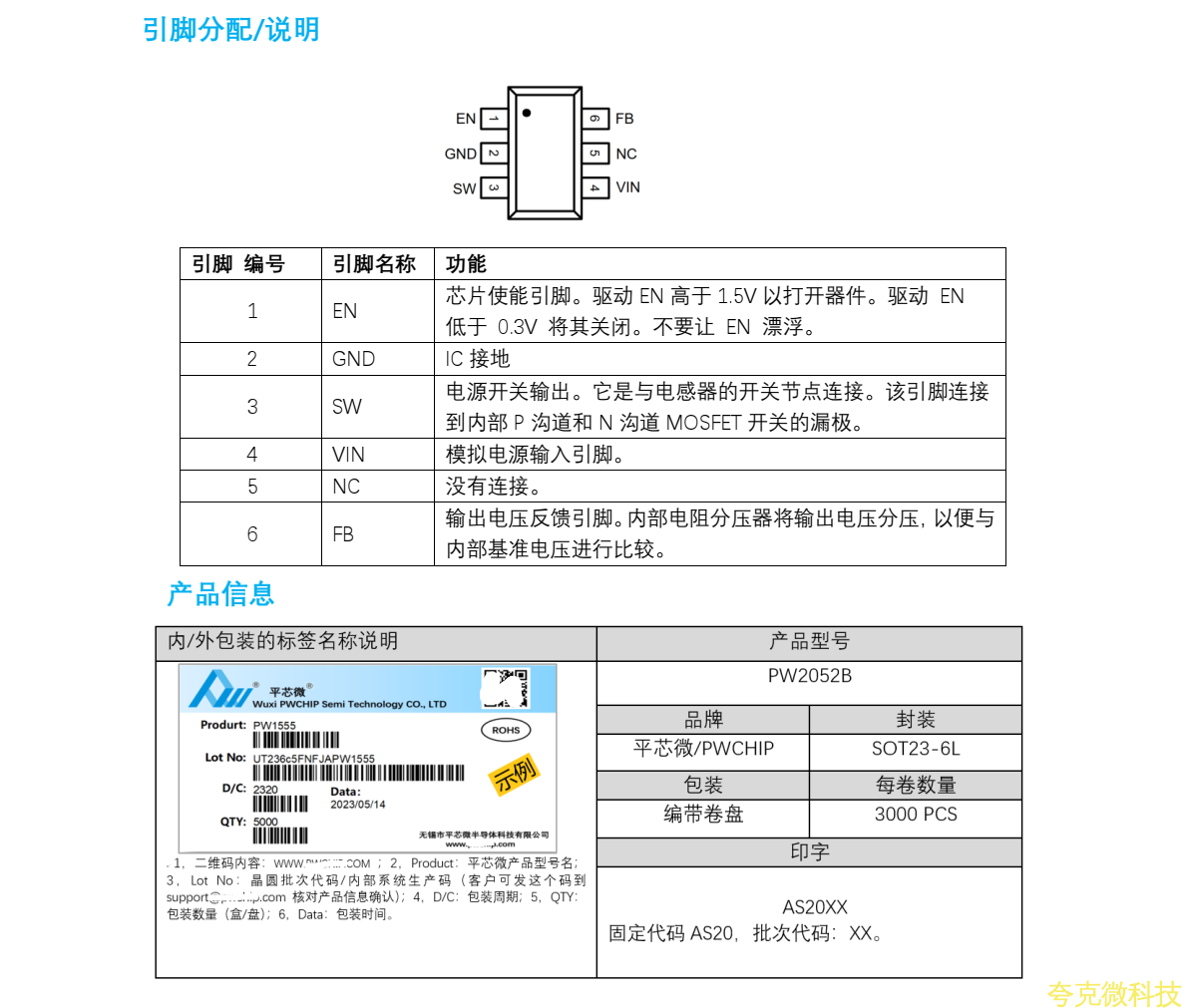
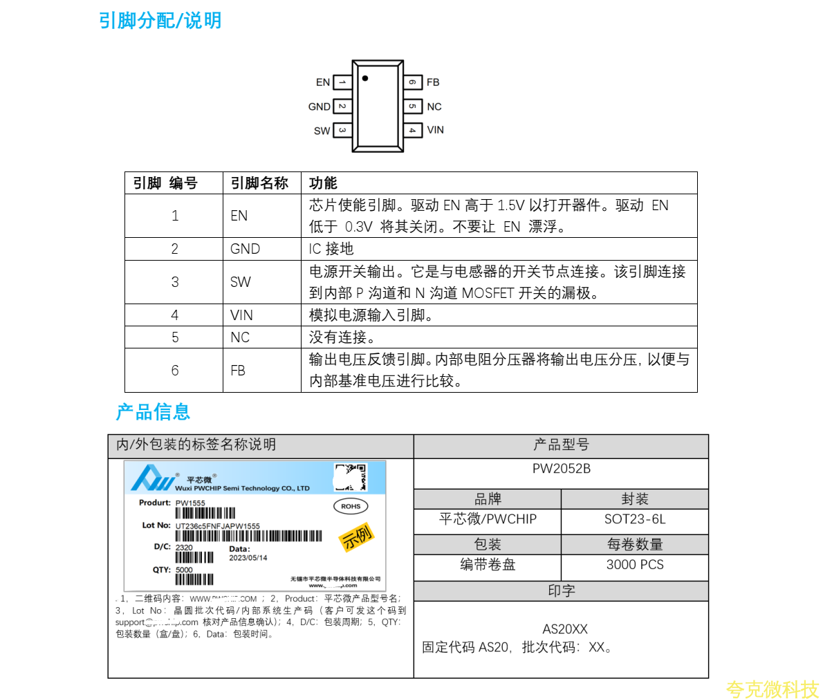
平芯微PW2052B中文规格书
- 2024-04-15 16:04:00
- 技术管理员 原创
- 1110
(百度翻译)
发表评论






