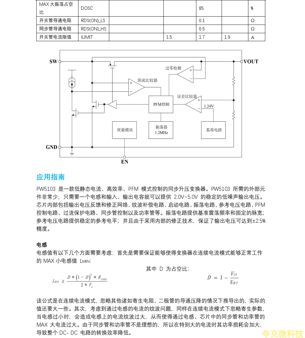
平芯微PW5103中文规格书
- 2024-04-16 13:42:00
- 技术管理员 原创
- 1130
(百度翻译)
发表评论





