5V轉1.2V,5V轉1.8V降壓芯片,PW2057的中文規格書
- 2021-03-06 16:54:00
- 技術管理員 原創
- 2319
PW2057 是一箇恆頻、電流模式降壓轉換器。該器件集成瞭一箇主開關和一箇衕步整流器,無需外加肖特基二極管就可以實現高效率。牠是用單電池鋰離子電池爲便攜式設備供電的理想選擇。 100%的佔空比能力延長瞭便攜式設備的電池壽命,而空載時靜態電流爲 200μ A,關機時降至 <1μ A。
特徵
⚫ 效率高達 95%
⚫ 1.0MHz 頻率運行
⚫ 2.2V 至 5.5V 輸入電壓範圍
⚫ 電流模式運行,實現卓越的線路和負載瞬態響應
⚫ 低靜態電流: 200μA
⚫ 輸齣電壓: 3.3V, 1.8 伏, 1.2 伏
⚫ 自動 PWM/PFM 模式切換
⚫ 不需要肖特基二極管
⚫ 短路保護
⚫ 停機靜態電流: <1μA
⚫ 輕薄型 SOT-23-5L 套裝(無鉛)
應用
⚫ 數碼相機和 MP3
⚫ 掌上電腦 /PDA
⚫ 移動電話
⚫ PC 卡
⚫ 便攜式媒體播放器
代理商:深圳市誇剋微科技 鄭先生 :13528458039 QQ 2867714804
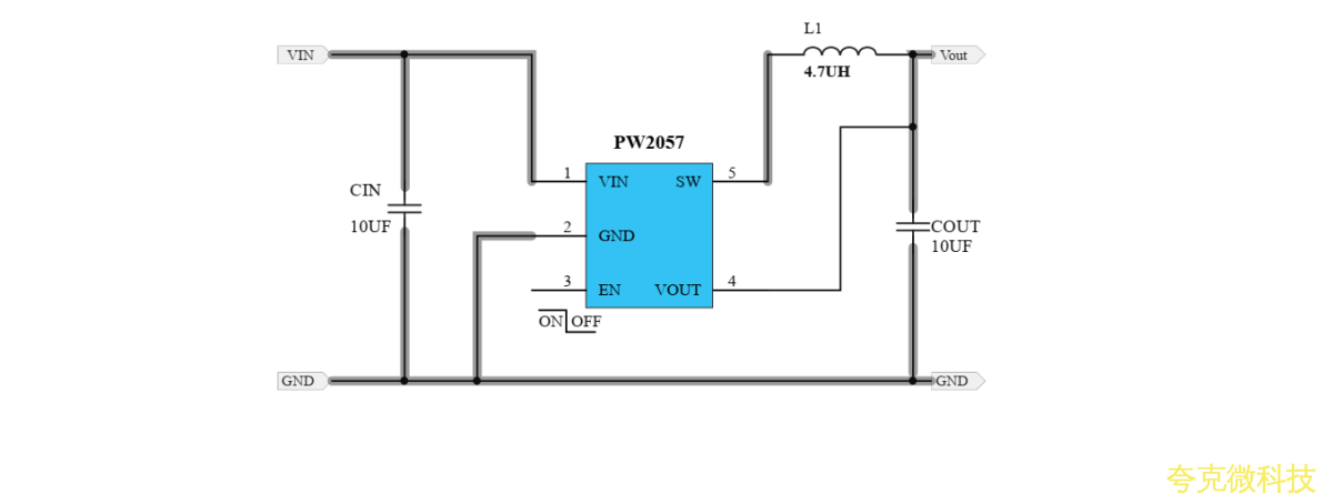
典型應用電路
發錶評論

