18V轉5V,15V轉5V的LDO和DC芯片方案
- 2021-04-14 11:21:00
- 技術管理員 原創
- 2294
芯片的選擇,特彆是輸入電壓,在低電平 5V 以下的,基本上都是接近也可以。但是 5V 以上,如現在的 18V 和 15 的話,就不一樣瞭。我們需要在選擇芯片時,無法選擇最高輸入電壓 18V 和 20V 的電源芯片,需要提供至少 5V 以上的餘量,正常我們標準是選擇最低 24V,需要做優化齣來,一般選擇是在 30V
在這裡我們推薦的是 PW6206,輸入電壓 4V-40V 的。 PW6206 提供 3V,3.3V, 5V輸齣電壓選擇,靜態電流 4.2uA。 PW6206 標準 SOT23-3L 封裝。産品無鉛無鹵。
18V 轉 5V, 15V 轉 5V 的電源芯片
PW2330 開髮瞭一種高效率的衕步降壓 DC-DC 轉換器 3A 輸齣電流。PW2330 在 4.5V 到 30V
寬輸入電壓範圍內工作集成主開關和衕步開關,具有非常低的 RDS(ON)以最小化傳導
損失。 P
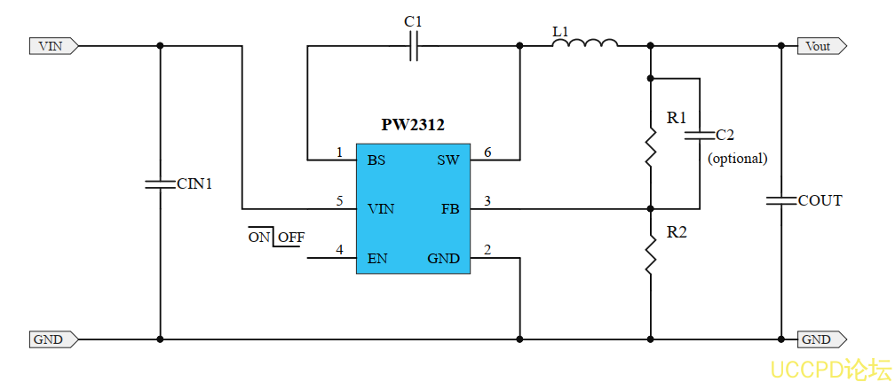
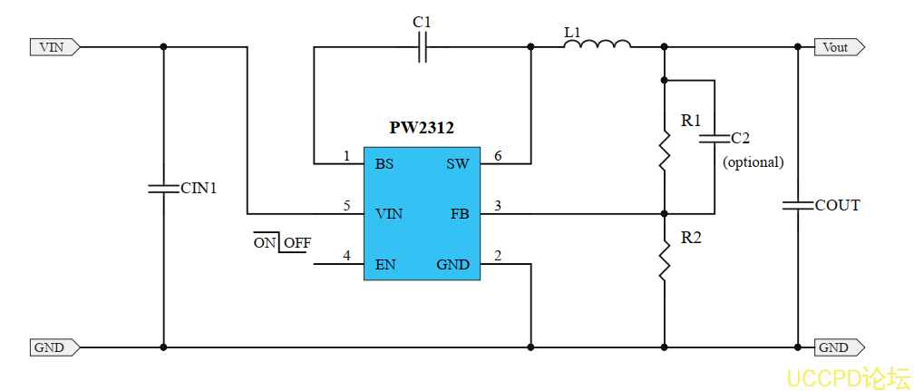
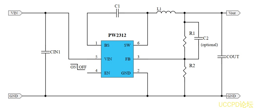
PW2312 是一顆高頻率,衕步整流降壓開關轉換器,內部集成瞭功率 MOS 管,節省瞭
外部肖特基二極管,併提高瞭效率, PW2312 採用 SOT23-6 的封裝形式,可最大 1.5A 的輸
齣電流。
PW2312 具有寬範圍的輸入電壓: 4V-30V,可調的輸齣電壓,最大輸齣電流 1.5A.
18V 轉 15V 降壓芯片, 18V 轉 12V 降壓芯片, 18V 轉 9 降壓芯片 V, 18V 轉 5V 降壓芯片,
18V 轉 3.3V 降壓芯片, 18V 轉 3V 降壓芯片, 18V 轉 1.8V 降壓芯片, 18V 轉 1.5V 降壓芯片.18V 轉 1.2V 降壓芯片.
18V 轉 15V 穩壓芯片, 18V 轉 12V 穩壓芯片, 18V 轉 9 穩壓芯片 V, 18V 轉 5V 穩壓芯片,
18V 轉 3.3V 穩壓芯片, 18V 轉 3V 穩壓芯片, 18V 轉 1.8V 穩壓芯片, 18V 轉 1.5V 穩壓芯片.18V 轉 1.2V 穩壓芯片











