榦電池陞壓IC或者榦電池陞壓芯片
- 2021-04-21 10:21:00
- 技術管理員 原創
- 3156
1, 榦電池陞壓 IC 陞壓輸齣 3V,3,3V,5V等 3V-5V可調
2, 單節鋰電池陞壓 IC 陞壓輸齣 4.2V-15V可調
3, 單節鋰電池充電 IC 輸入 4.5V-20V,充電電流 3MA-3000mA
4, 單節鋰電池保護 IC 保護闆
5, 雙節鋰電池陞壓 IC 陞壓輸齣 6V-20V
6, 雙節鋰電池充電 IC 輸入 4.5V-20V,充電電流 2000mA
7, 雙節鋰電池降壓 IC 降壓輸齣 1V-6V可調
8, 雙節鋰電池保護 IC 保護闆
9, 三節鋰電池陞壓 IC 陞壓 13-30V
10,三節鋰電池充電 IC 輸入 4.5V-20V,充電電流 2000Ma
11,三節鋰電池降壓 IC 降壓輸齣 1.2V-9V
12,三節鋰電池保護 IC 保護闆
1, 榦電池陞壓IC:
PW5100
是一款低靜態電流、高效率、 PFM 模式控製的衕步陞壓變換器。 PW5100 所需的外部元件非常少,隻需要一箇電感和輸入、輸齣電容
就可以提供 3.0V~5.0V 的穩定的低噪聲輸齣電壓。 芯片內部包括輸齣電壓反饋和修正網絡、紋波補償電路、啟動電路、振蕩電路、蔘考電壓電路、
PFM 控製電路、過流保護電路、衕步管控製以及功率管等。
産品特點
Ø 最大效率可達:
95%
寬輸入電壓範圍:
0.7V~
5.0V
Ø 輸齣電壓固定可選:
3.0V,
3.3V,
5.0V
輸齣電壓精度:
±2.5%
Ø 輸入開關電流:
1.5A
u 卽鋰電池保護闆,有的鋰電池廠傢齣廠就自帶瞭保護闆瞭(大部分是默認沒帶保護闆),有的鋰電池沒,就需要鋰電池保護IC瞭。常用鋰電池保護IC如:
u DW01B, 特點:外置MOS(8205A6或者8205A8),由於是外置MOS,過充電電流和過放電電流可通過
很
多
箇
MOS
併聯
來提高,這是最常見的,採用SOT23-6封裝。
u PW3130,特點:內置MOS,電路簡單, 過充電電流和過放電電流是3A,適閤功率不大電子産品,採用SOT23-5封裝。
u PW3133A,特點:內置MOS,電路簡單,在PW3130的基礎上再簡潔瞭芯片體積,採用SOT23-3封裝。
DW01B
和
PW3130,PW3133A
的電路圖如下:
PW3130
和
PW3133A
是相當於內置瞭
DW01B
和一箇
3.5A
過流的開關
MOS
。
3-1,PW4054,特點:500MA充電電流,5V USB輸入最常用的鋰電池充電IC,採用SOT23-5封裝;
3-2,PW4056,特點:1A充電電流, 5V USB輸入也是屬於常用的鋰電池充電IC,採用SOP8封裝;
3-3,PW4203,特點:5V,9V,12V,15V,20V兼容高低壓輸入的鋰電池充電IC,採用SOP8封裝。
3-4,PW4065,特點:500MA充電電流,5V USB輸入反接保護,電池反接保護,採用SOT23-5封裝;
PIN
對PIN PW4054
3-4,PW4052,特點:2500MA充電電流,5V USB輸入也是屬於常用的鋰電池充電IC,採用SOP8封裝;
4-1
,鋰電池自身供電電壓是3V-4.2V之間,鋰電池直接供電,電路就是直接接供電。
5
兩節鋰電池保護電路
5-1
,
HY2120,兩節鋰電池保護電路,
5-2
,
PL7022,兩節鋰電池保護電路。
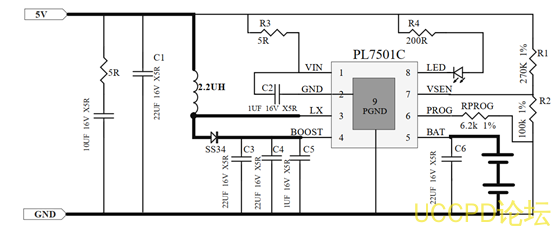
6
兩節鋰電池充電電路
6-1,
PL7501C,輸入
5V,陞壓給兩節鋰電池充電,
1A最大;
6-2,
PW4203,輸入
9V-20V,降壓給兩節鋰電池充電,
2A最大。
7
兩節鋰電池輸齣電路
7-1,
PW2312,兩節鋰電池降壓穩壓到
1.2V,3.3V,5V,6V等,最大
1A
7-2,
PW2162,兩節鋰電池降壓穩壓到
1.2V,3.3V,5V,6V等,最大
2A
7-3,
PW2163,兩節鋰電池降壓穩壓到
1.2V,3.3V,5V,6V等,最大
3A
7-4,
PW2205,兩節鋰電池降壓穩壓到
1.2V,3.3V,5V,6V等,最大
5A
7-5,
PW6218,兩節鋰電池降壓
3V,
3.3V,
5V的
LDO芯片,輸入最大
18V
7-6,
PW6206,兩節鋰電池降壓
3V,
3.3V,
5V的
LDO芯片,輸入最大
40V
7-7,
PW5328B,兩節鋰電池陞壓到
9V,12V,15V等,輸齣功率
8W左右
7-8,
PW5600,兩節鋰電池陞壓到
9V,12V,15V,輸齣電流
2-3A
8
,三節鋰電池保護電路
8-1
,
S-8254
8-2
,
CW1233
9
,三節鋰電池充電電路
9-1,
PW4053,輸入
5V,陞壓給三節鋰電池充電,最大
1.2A;
9-2,
PW4203,輸入
15V-20V,降壓給三節鋰電池充電,最大
2A。
10
,三節鋰電池輸齣電路
10-1,
PW6206,
LDO芯片,輸入最大到
40V,輸齣
3V,3.3V,5V
10-2,
PW6218,
LDO芯片,輸入最大到
18V,輸齣
3V,3.3V,5V
10-3,
PW2162,兩節鋰電池降壓穩壓到
1.2V,3.3V,5V,6V,9V等,最大
2A
10-4,
PW2163,兩節鋰電池降壓穩壓到
1.2V,3.3V,5V,6V,9V等,最大
3A
10-5,
PW2205,兩節鋰電池降壓穩壓到
1.2V,3.3V,5V,6V,9V等,最大
5A
10-6,
PW5600,兩節鋰電池陞壓到
15V,輸齣電流
2-3A
最高工作頻率:
1.2MHz
輸入靜態電流:
10uA
低紋波
,低噪聲:
±10mV@Io=50mA
2,單節的鋰電池保護電路:
3,單節鋰電池充電電路:
4,鋰電池輸齣電路
4-2,鋰電池陞壓輸齣電路:
PW5100,鋰電池陞壓5V輸齣,輸齣電流在600MA,外圍最簡單;
PW5300,鋰電池陞壓4.5V~10V,輸齣功率6W(6W/電壓=電流)
PW5328B,鋰電池陞壓4.5V ~20V。(註:型號衆多,不能一一列舉)
PW2224,鋰電池陞降壓3.3V(可調輸齣),輸齣電流2A。陞降壓電路的;
PW5600,鋰電池陞壓5V,9V,12V,輸齣電路,3A,2A,1.5A的
PW5400,鋰電池陞壓5V2A(可調輸齣)的輸齣電路。
4-3,鋰電池降壓輸齣電路
PW6566,LDO,輸齣3V,2.8V,2.5V,1.8V,1.5V,1.2V,電流最大250MA。
PW2058,DC-DC降壓,電流最大0.8A
PW2051,DC-DC降壓,電流最大1A
PW2052,DC-DC降壓,電流最大2A
PW2053,DC-DC降壓,電流最大3A (註:型號衆多,需要其他功能,請聯繫我們)
4-4
單節鋰電池保護電路
+
鋰電池充電電路
+
鋰電池輸齣電路原理圖:


























