5V降壓1.5V,3.7V降壓1.5V電源芯片
- 2021-05-08 13:27:00
- 技術管理員 原創
- 2473
5V降壓1.5V,3.7V降壓1.5V 穩壓芯片,降壓芯片,電源芯片,電路圖,的幾款極大電流IC ,的幾款低功耗降壓芯片,電源芯片選型説明,超簡單的LDO芯片。
5V降壓1.5V芯片 ,3.7V降壓1.5V 芯片在不衕的應用,有著不衕的電流要求1A,2A,3A ,不衕的5V 供電也有不衕的芯片選擇。5V 一般降壓成1.5V 都是恆壓,固定1.5V輸齣的模式,和最大輸齣電流。
3.7V 是常規我們知道的鋰電池多,一般鋰電池的放電電壓是3V-4.2V 之間,再降壓成1.5V 的話,不需要擔心陞降壓等其他問題,不像輸齣3.3V 時,可能要考慮到陞降壓芯片的問題瞭,陞降壓芯片可考慮到PW2228A ,PW5410B等等。其他具體蔘數要看規格書資料來判斷。
5V 降壓 1.5V 的穩壓芯片, 3.7V 降壓 1.5V 的降壓芯片,可使用 1,LDO 芯片, 2,DC-DC降壓芯片。
1,D C-DC 降壓芯片:
通過錶格,對於輸入電壓是不是再範圍內的,來初步篩選和備選,淘汰一些不符閤自己要求的降壓電路繫統的芯片,滿足輸入電壓的,有PW2058,PW2051,PW2052,PW2053等。
由於這四款芯片的外圍電路是和一樣的,旣我們就可以看下PW2052的線路圖標準來看卽可.
PW2052 是一顆高效率,高頻率1MHZ 的衕步DC-DC 降壓降壓換器,100%佔空比,可調輸齣電壓,可採用貼片電感,節省空間。PW2052 採用SOT23-5的便捷封裝型號,更適閤與小型空間有限製的産品。
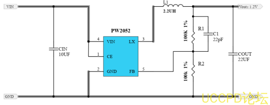
PW2052的典型應用電路圖:
這是一張輸齣電壓設計成1,2V 的原理圖,如果需要改成1.5V的話,隻需要更改R2電阻的阻值卽可來改動輸齣電壓:
DC-DC 的,如果5V電壓,輸入要超過時,可選擇PW2162,PW2163等降壓芯片。
2,LDO芯片
LDO
的選擇就比較簡單額。直接就可以用PW6566瞭。
L
DO
産品
輸入電壓
輸齣電壓
輸齣電流
靜態功耗
封裝
P
W6566
1.8V~5.5V
1
.2V~5V
多
25
0
m
A
2u
A
SOT23-
3
P
W6218
4
V~18V
3
V,
3.3
V,5V
1
00MA
3u
A
Sot23-3
P
W6206
4
.5V~40V
3
V,
3.3
V,5V
1
50MA
4
.2
u
A
Sot23/
89
P
W8600
4
.5V~
8
0V
3
V,
3.3
V,5V
150
MA
2
u
A
Sot23
-3




