5V降壓2.8V,3.7V降壓2.8V,3V降壓2.8V芯片選型
- 2021-05-08 13:38:00
- 技術管理員 原創
- 2207
5V 降壓2.8V ,3.7V 降壓2.8V ,3V 降壓2.8V 降壓芯片,穩壓IC 選型,穩壓芯片,的幾款穩壓IC,電路圖,芯片
5V 降壓2.8V 和3.7V 降壓2.8V 和3V 降壓2.8V可根據電流來選用 1,L DO 線性芯片,2,D C-DC 降壓芯片
1, L DO 線性芯片
一般我們都追求極簡的外圍電路和元器件的芯片,對於電流小的,不追求效率的,LDO芯片就是第一箇選擇瞭。
LDO 芯片一般推薦用PW6566 卽可。成本低,還要更多其他輸齣電壓的選擇。三極管的封裝形式。如果輸入電壓需要更高時,則需要選其他LDO瞭。
|
L DO 産品 |
輸入電壓 |
輸齣電壓 |
輸齣電流 |
靜態功耗 |
封裝 |
|
|
P W6566 |
1.8V~5.5V |
1 .2V~5V 多 |
25 0 m A |
2u A |
SOT23- 3 |
|
|
P W6218 |
4 V~18V |
3 V, 3.3 V,5V |
1 00MA |
3u A |
Sot23-3 |
|
|
P W6206 |
4 .5V~40V |
3 V, 3.3 V,5V |
1 50MA |
4 .2 u A |
Sot23/ 89 |
|
|
P W8600 |
4 .5V~ 8 0V |
3 V, 3.3 V,5V |
150 MA |
2 u A |
Sot23 -3 |
|
2,D C-DC 降壓芯片
DC-DC 降壓芯片如果是3V 或者3.7V 輸入的話,則不需要考慮以上的原因。在5V 輸入時,有2鐘情況,如果是穩定的5V供電電壓則可以選擇PW2058,PW2051,PW2052,PW2053等等。
如果輸入的5V 是不穩定的,會有瞬間的6V ,7V 等電壓齣現時,則需要把7V 最高電壓納祘入輸入電壓範圍瞭。需要選擇PW2162,PW2163,PW2203等。
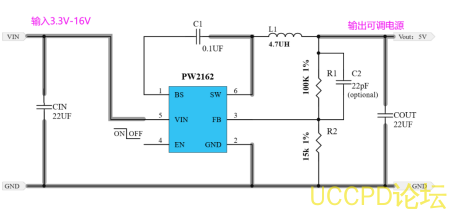
PW2162是一顆DC-DC 衕步降壓降壓換器芯片,輸入電壓範圍4.5V-16V ,最大可負載電流2A ,可調輸齣電壓,頻率600kHZ 高頻率,可採用貼片電感,節省空間,採用SOT23-6封裝形式。
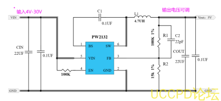
PW2312是一顆DC-DC 衕步降壓降壓換器芯片,輸入電壓範圍4V-30V ,最大負載電流1.2A ,可調輸齣電壓,頻率1.4MHZ 高頻率,可採用貼片電感,節省空間,採用SOT23-6封裝形式。
|
DC-DC 降壓産品 |
輸入電壓 |
輸齣電壓 |
輸齣電流 |
頻率 |
封裝 |
|
PW2058 |
2.0V~6.0V |
1V~5V |
0.8A |
1.5MHz |
SOT23-5 |
|
PW2051 |
2.5V~5.5V |
1V~5V |
1.5A |
1.5MHz |
SOT23-5 |
|
PW2052 |
2.5V~5.5V |
1V~5V |
2.0A |
1.0 MHz |
SOT23-5 |
|
PW2053 |
2.5V~5.5V |
1V~5V |
3.0A |
1.0 MHz |
SOT23-5 |
|
PW2162 |
4.5V~16V |
1V~15V |
2A |
600KHZ |
SOT23-6 |
|
PW2163 |
4.5V~16V |
1V~15V |
3A |
600KHZ |
SOT23-6 |
|
PW2205 |
4.5V~30V |
1V~25V |
5A |
500KHZ |
SOP8-EP |
|
PW2312 |
4.0V~30V |
1V~28V |
1.2A |
1.4 MHz |
SOT23-6 |
|
PW2330 |
4.5V~30V |
1V~28V |
3A |
500KHz |
SOP8 |
|
PW2431 |
4.5V~40V |
1V~30V |
3A |
340KHz |
SOP8-EP |
|
PW2558 |
4.5V~55V |
1.25V~30V |
0.8A |
1.2 MHz |
SOT23-6 |
|
PW2608 |
5.5V~60V |
1.5-30V |
0.8A |
0.3-1Mhz |
SOP8-EP |
|
PW2815 |
4.5V~80V |
1.5V~30V |
1.5A |
400KHZ |
SOP8-EP |
|
PW2906 |
12V~90V |
1.25V~20V |
0.6A |
150KHZ |
SOP8-EP |
|
PW2902 |
8V~90V |
5V~30V |
2A |
140KHZ |
SOP8-EP |
|
PW2153 |
8V~140V |
5V~30V |
4A |
140KHZ |
SOP8 |
|
。。。
|
|||||




