30V降压5V芯片,平芯微PW2312中文规格书
- 2021-03-06 17:05:00
- 技术管理员 原创
- 2054
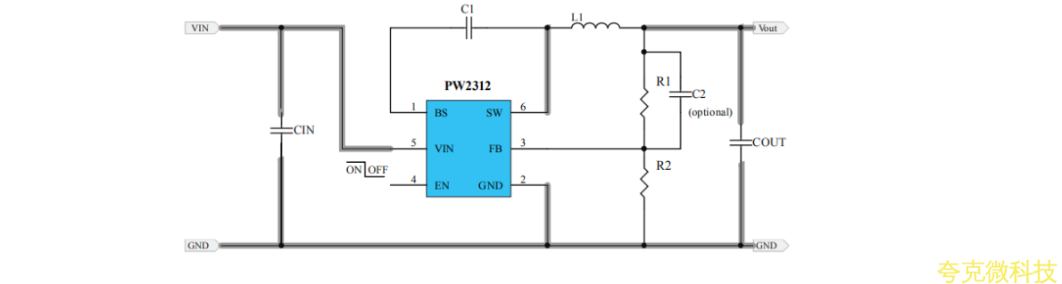
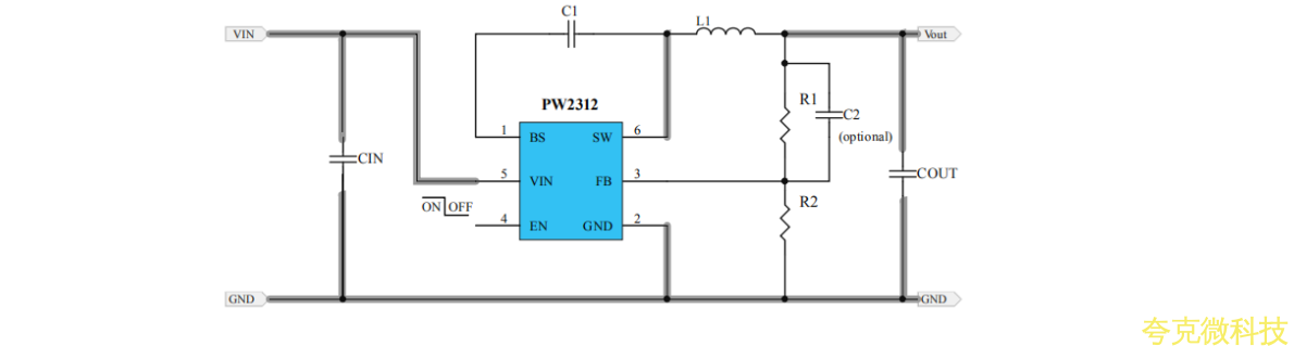
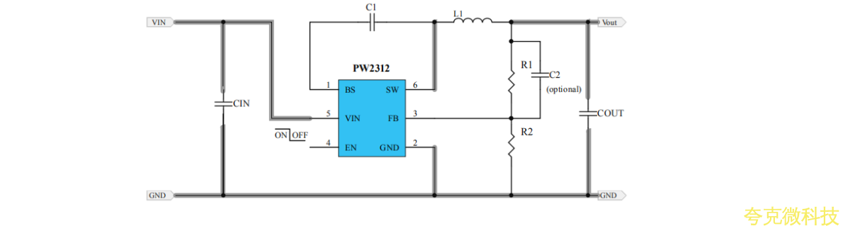
PW2312 是一个高频,同步,整流,降压,开关模式转换器内部功率 MOSFET。它提供了一个非常紧凑的解决方案,以实现 1.5A 的峰值输出电流在广泛的输入电源范围内,具有优良的负载和线路调节 PW2312 需要最少数量的现成外部组件,可在节省空间的 SOT23-6 包。
特征
⚫ 宽 4V 至 30V 工作输入范围
⚫ 1.2A 连续输出电流
⚫ 1.4MHz 开关频率
⚫ 短路保护模式
⚫ 内置过流限制
⚫ 内置过电压保护
⚫ 模式 PWM
⚫ 内部软启动
⚫ 200mΩ /150mΩ低 RDS( ON)内部功率金氧半晶体
⚫ 不需要肖特基二极管
⚫ 综合内部补偿
⚫ 热关机
⚫ 提供 SOT23-6 套装
⚫ -40° C 至 +85° C 温度范围
应用
⚫ 闭路电视摄像机
⚫ 平板电视和显示器
⚫ 电池充电器
⚫ 分布式电力系统
代理商:深圳市夸克微科技 郑先生 :13528458039 QQ 2867714804
典型应用电路
发表评论

