12V转5V降压芯片,12V转3.3V稳压芯片电路图
- 2021-04-10 09:58:00
- 技术管理员 原创
- 3426
12V转 5V应用中,大多要求会输出电流高的,稳压 LDO就不能满足了,需要使用 DC-DC降压芯片来持续稳压 5V,输出电流 1000MA, 2000MA, 3000MA, 5000MA等。不同的输出电流可以选择适合的降压芯片来使用。
12V转 3.3V,稳压 3.3V输出,一般用于给 MCU单片机或者其他特殊重要模块供电等,要求也会比较多和不一样。例如 10MA, 100MA, 1000MA-5000MA不等。时常小电流的较多,小电流使用 LDO稳压芯片。
1, LDO稳压芯片
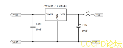
40V 高输入电压 LDO 线性稳压器 , 高输入电压,低静态电流,高速,低压降线性稳压器具有高纹波抑制 .PW6206 , PW6513 。
特点
输入电压: 4.75V~40V
输出电压固定: 3V , 3.3V , 5V
输出精度: <±2%
输出电流: 150mA (典型值)
电源抑制比: 60dB@100Hz
跌落电压: 600mV@IOUT=100mA
静态电流: 4.2μA@VIN=12V (典型值)
ESD HBM:8KV
推荐电容器: 10uF
2,
DC-DC降压芯片
2A-3A
PW2162是一个完全集成,高效率2A同步整流降压转换器。PW2162在宽输出电流负载范围内以高效率运行。此设备提供两种工作模式,PWM控制和PFM模式开关控制,实现高效率在更宽的负载范围内。PW2162要求现有的最小数量标准外部组件,并在符合ROHS标准的6针SOT23封装中提供。
特征
效率高达96%
600KHz频率操作
2A输出电流
不需要肖特基二极管
4.5V至16V输入电压范围
0.6V参考电压
斜坡补偿电流模式控制对于良好的线路和负载瞬态回应
PW2163是一种高效的
500kHz同步降压
DC-DC转换器,能够输送
3A电流。
PW2163在
4.5V到
18V的宽输入电压范围内工作集成主开关和同步开关,具有非常低的
RDS(
ON)以最小化传导损失。输出电压纹波低,外部电感器和电容器的尺寸为
500kHz开关频率。采用瞬时
PWM结构,实现快速瞬态响应对于高降压应用
.
内部交换机(顶部
/
底部)的低
RDS
(
on
):
80mΩ/40mΩ
4.5-18V
输入电压范围
3A
输出电流能力
500kHz
开关频率
瞬时
PWM
架构,实现快速瞬态响应。
逐周期峰值电流限制
内部软启动限制涌入电流
SOT23-6
4V-30V输入,
1.2A输出的同步整流降压器芯片
PW2312.
PW2312是一种电流模式降压型
DC/DC转换器,可提供优良的瞬态特性响应没有额外的外部补偿组件。此设备包含内部低电阻,高压功率
MOSFET,并在高
1.4MHz工作频率下工作确保紧凑、高效的设计,具有出色的交直流性能。
PW2205开发了一种高效率的同步降压
DC-DC转换器
5A输出电流。
PW2205在
4.5V到
30V的宽输入电压范围内工作集成主开关和同步开关,具有非常低的
RDS(
ON)以最小化传导损失。
PW2205采用瞬时脉宽调制(
PWM)结构,实现高阶跃降的快速瞬态响应轻载时的应用和高效率。此外,它的工作频率是伪恒定的在连续导通模式下为
500kHz,以使电感器和电容器的尺寸最小。
特征
内部整流
MOS的低
RDS(
on)(顶部
/底部):
70/40 mΩ
4.5V30V输入电压范围
瞬时
PWM架构实现快速瞬态响应
外部软启动限制涌入电流
恒频:
500kHz at重载
5A连续,
6A峰值负载电流能力









