5V降压2.8V,3.7V降压2.8V,3V降压2.8V芯片选型
- 2021-05-08 13:38:00
- 技术管理员 原创
- 2206
5V 降压2.8V ,3.7V 降压2.8V ,3V 降压2.8V 降压芯片,稳压IC 选型,稳压芯片,的几款稳压IC,电路图,芯片
5V 降压2.8V 和3.7V 降压2.8V 和3V 降压2.8V可根据电流来选用 1,L DO 线性芯片,2,D C-DC 降压芯片
1, L DO 线性芯片
一般我们都追求极简的外围电路和元器件的芯片,对于电流小的,不追求效率的,LDO芯片就是第一个选择了。
LDO 芯片一般推荐用PW6566 即可。成本低,还要更多其他输出电压的选择。三极管的封装形式。如果输入电压需要更高时,则需要选其他LDO了。
|
L DO 产品 |
输入电压 |
输出电压 |
输出电流 |
静态功耗 |
封装 |
|
|
P W6566 |
1.8V~5.5V |
1 .2V~5V 多 |
25 0 m A |
2u A |
SOT23- 3 |
|
|
P W6218 |
4 V~18V |
3 V, 3.3 V,5V |
1 00MA |
3u A |
Sot23-3 |
|
|
P W6206 |
4 .5V~40V |
3 V, 3.3 V,5V |
1 50MA |
4 .2 u A |
Sot23/ 89 |
|
|
P W8600 |
4 .5V~ 8 0V |
3 V, 3.3 V,5V |
150 MA |
2 u A |
Sot23 -3 |
|
2,D C-DC 降压芯片
DC-DC 降压芯片如果是3V 或者3.7V 输入的话,则不需要考虑以上的原因。在5V 输入时,有2钟情况,如果是稳定的5V供电电压则可以选择PW2058,PW2051,PW2052,PW2053等等。
如果输入的5V 是不稳定的,会有瞬间的6V ,7V 等电压出现时,则需要把7V 最高电压纳算入输入电压范围了。需要选择PW2162,PW2163,PW2203等。
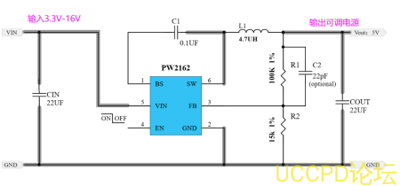
PW2162是一颗DC-DC 同步降压降压换器芯片,输入电压范围4.5V-16V ,最大可负载电流2A ,可调输出电压,频率600kHZ 高频率,可采用贴片电感,节省空间,采用SOT23-6封装形式。
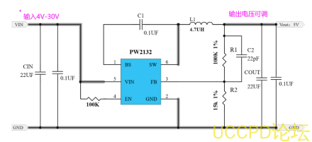
PW2312是一颗DC-DC 同步降压降压换器芯片,输入电压范围4V-30V ,最大负载电流1.2A ,可调输出电压,频率1.4MHZ 高频率,可采用贴片电感,节省空间,采用SOT23-6封装形式。
|
DC-DC 降压产品 |
输入电压 |
输出电压 |
输出电流 |
频率 |
封装 |
|
PW2058 |
2.0V~6.0V |
1V~5V |
0.8A |
1.5MHz |
SOT23-5 |
|
PW2051 |
2.5V~5.5V |
1V~5V |
1.5A |
1.5MHz |
SOT23-5 |
|
PW2052 |
2.5V~5.5V |
1V~5V |
2.0A |
1.0 MHz |
SOT23-5 |
|
PW2053 |
2.5V~5.5V |
1V~5V |
3.0A |
1.0 MHz |
SOT23-5 |
|
PW2162 |
4.5V~16V |
1V~15V |
2A |
600KHZ |
SOT23-6 |
|
PW2163 |
4.5V~16V |
1V~15V |
3A |
600KHZ |
SOT23-6 |
|
PW2205 |
4.5V~30V |
1V~25V |
5A |
500KHZ |
SOP8-EP |
|
PW2312 |
4.0V~30V |
1V~28V |
1.2A |
1.4 MHz |
SOT23-6 |
|
PW2330 |
4.5V~30V |
1V~28V |
3A |
500KHz |
SOP8 |
|
PW2431 |
4.5V~40V |
1V~30V |
3A |
340KHz |
SOP8-EP |
|
PW2558 |
4.5V~55V |
1.25V~30V |
0.8A |
1.2 MHz |
SOT23-6 |
|
PW2608 |
5.5V~60V |
1.5-30V |
0.8A |
0.3-1Mhz |
SOP8-EP |
|
PW2815 |
4.5V~80V |
1.5V~30V |
1.5A |
400KHZ |
SOP8-EP |
|
PW2906 |
12V~90V |
1.25V~20V |
0.6A |
150KHZ |
SOP8-EP |
|
PW2902 |
8V~90V |
5V~30V |
2A |
140KHZ |
SOP8-EP |
|
PW2153 |
8V~140V |
5V~30V |
4A |
140KHZ |
SOP8 |
|
。。。
|
|||||




