2.4V升3.3V,2.4V升3V,1A大电流升压芯片
- 2021-05-10 13:47:00
- 技术管理员 原创
- 2197
2.4 V 升3. 3V ,2.4 V 升3 V ,1 A 大电流升压芯片
两节镍氢电池串联就是1.2V+1.2V=2.4V 的供电电压了,2.4V 升3V, 2.4V 升3.3V 的话,就能稳压稳定给模块供电了,镍氢电池是会随着使用的电池电量减少的话,电池的电压也是跟着变化的,导致2.4V不能稳定输出,给后面电路照成电池能量浪费的同时,和电路板工作的不稳定。
PW5100 是0.7V-5V 输入的,低功耗10uA ,输出电流可达500-600MA 的低功耗升压IC ,效率可到93%。
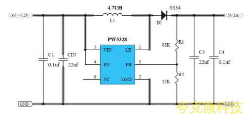
PW5328B 是2V-24V 输入的异步升压芯片,输出电流可达1A-2A等。
PW5328B 具有在轻负载下自动切换到脉冲频率调制模式的特点。 PW5328B 包括欠压锁定、电流限制和热过载保护防止输出过 载时损坏。 PW5328B 提供小型 6 针 SOT-23 封装。


