20V,24V转5V,20V,24V转3.3V降压芯片,IC介绍
- 2021-05-08 14:13:00
- 技术管理员 原创
- 2305
20 V 转5 V ,24 V 转5 V 和20 V 转3.3 V 和24 V 转3.3 V 的芯片功能介绍
常用的20 V 和24 V 转5 V,3.3V 的L DO 稳压和D C-DC 降压芯片:
PW6206系列是一款高精度,高输入电压,低静态电流,高速,低压降线性稳压器具有高纹波抑制。输入电压高达40V,负载电流高达100mA,采用BCD工艺制造。PW6206提供过电流限制、软启动和过热保护,以确保设备在良好的条件下工作
PW6206调节器有标准SOT89-3L和SOT23-3L封装。标准产品无铅无卤。
特点
l 输入电压:4.75V~40V
l 输出电压:1.8V~5.7V
l 输出精度:<±2%
l 输出电流:100mA(典型值)
l 最高250mA@VIN=7V,VOUT=5V
l 电源抑制比:60dB@100Hz
l 跌落电压:600mV@IOUT=100mA
l 静态电流:4.2μA@VIN=12V(典型值)
l ESD HBM:8KV
l 推荐电容器:10uF
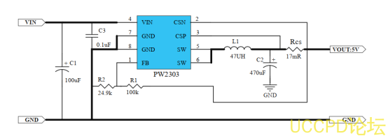
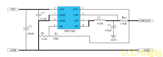
PW2303 是支持高电压输入的同步降压电源管理芯片,在4.5~30V的宽输入电压范围内可实现 3A 的连续电流输出。通过调节 FB 端口的分压电阻,可以输出 1.8V 到 28V 的稳定电压。PW2303 具有优秀的恒压/恒流(CC/CV)特性。 PW2303 采用电流模式的环路控制原理,实现了快速的动态响应。
PW2303 工作开关频率为 130kHz,具有良好的 EMI 特性。 PW2303 内置线电压补偿,可通过调节 FB 端口的分压电阻阻值来实现。 PW2303 包含多重保护功能:过温保护,输出短路保护和输入欠压/ 过压保护等。 PW2303 采用 SOP8 的标准封装。
产品特点
宽输入电压范围: 4.5V 至 30V
宽输出电压范围: 1.8V 至 28V
效率可高达 92%以上,
超高恒流精度: ±5%
恒压精度: ±5%,
无需外部补偿,
开关频率: 130kHz,
输入欠压/过压、
输出短路和过热保护,SOP-8 封装
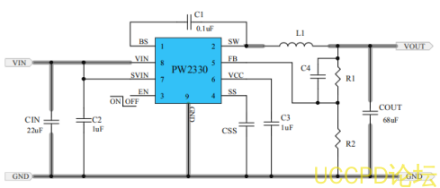
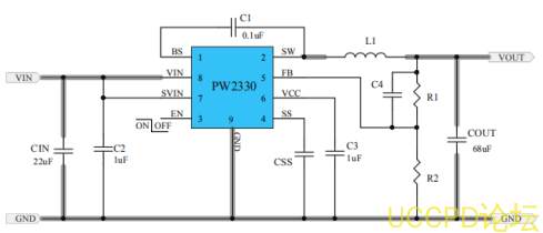
PW2330开发了一种高效率的同步降压DC-DC变换器3A输出电流。PW2330在4.5V到30V的宽输入电压范围内工作集成主开关和同步开关,具有非常低的RDS(ON)以最小化传导损失。
PW2330采用专有的瞬时PWM结构,实现快速瞬态响应适用于高降压应用和轻负载下的高效率。此外,它在在连续传导模式下的500kHz伪恒定频率,以最小化电感器和电容器。
特点
l 内部整流MOS 的低RDS(on)(顶部/底部):90/60 mΩ
l 4.5-30V输入电压范围
l 瞬时PWM架构实现快速
l 瞬态响应
l 外部软启动限制涌入电流
l 恒频:500kHz
l 3A连续负载电流能力
l 输出过电流限制
l 输出短路保护当前折回
l 热关机和自动恢复
l 符合RoHS标准且无卤素
l 紧凑型包装:SOP8-EP
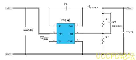
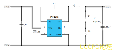
PW2312是一个高频,同步,整流,降压,开关模式转换器内部功率MOSFET。它提供了一个非常紧凑的解决方案,以实现1.5A的峰值输出电流在广泛的输入电源范围内,具有优良的负载和线路调节PW2312需要最少数量的现成外部组件,可在节省空间的SOT23-6包。
特征
l 宽4V至30V工作输入范围
l1.2A连续输出电流
l1.4MHz开关频率
l短路保护模式
l内置过流限制
l内置过电压保护
l 模式PWM
l内部软启动
l200mΩ/150mΩ低RDS(ON)内部功率金氧半晶体
l不需要肖特基二极管
l综合内部补偿
l热关机
l 提供SOT23-6套装
l-40°C至+85°C温度范围




